Texas Instruments TCAL9538 8-Bit I/O Expanders
Texas Instruments TCAL9538 8-Bit I/O Expanders are developed for two-line bidirectional I2C bus (or SMBus) protocol and provide a 1.08V to 3.6V VCC operation. The TCAL9538 supports 100kHz (Standard-mode), 400kHz (Fast-mode), and 1MHz (fast-mode-plus) I2C clock frequencies. The I/O expanders offer a simple solution when additional I/Os are required for sensors, switches, push buttons, LEDs, fans, and more.The TI TCAL9538 includes agile I/O ports with additional features designed to enhance the I/O performance in speed, power consumption, and EMI. The features are programmable output drive strength, programmable pull-up and pull-down resistors, latchable inputs, maskable interrupt, interrupt status register, and programmable open-drain or push-pull outputs.
Features
- Operating power-supply voltage range of 1.08V to 3.6V
- Low standby current consumption of 1µA typical at 1.8V
- 1MHz fast mode plus I2C bus
- Hardware address pin allows two devices on the same I2C, SMBus bus
- Active-low reset input (RESET)
- Open-drain active-low interrupt output (INT)
- Input or output configuration register
- Polarity inversion register
- Configurable I/O drive strength register
- Pull-up and pull-down resistor configuration register
- Internal power-on reset
- Noise filter on SCL or SDA inputs
- Latched outputs with high-current drive maximum capability for directly driving LEDs
- Latch-up performance exceeds 100 mA per JESD 78, class II
- ESD protection exceeds JESD 22
- 4000V Human-body model (A114-A)
- 1000V Charged-device model (C101)
Applications
- Servers
- Routers (telecom switching equipment)
- Personal computers
- Personal electronics
- Industrial automation
- Gaming consoles
- Products with GPIO-limited processors
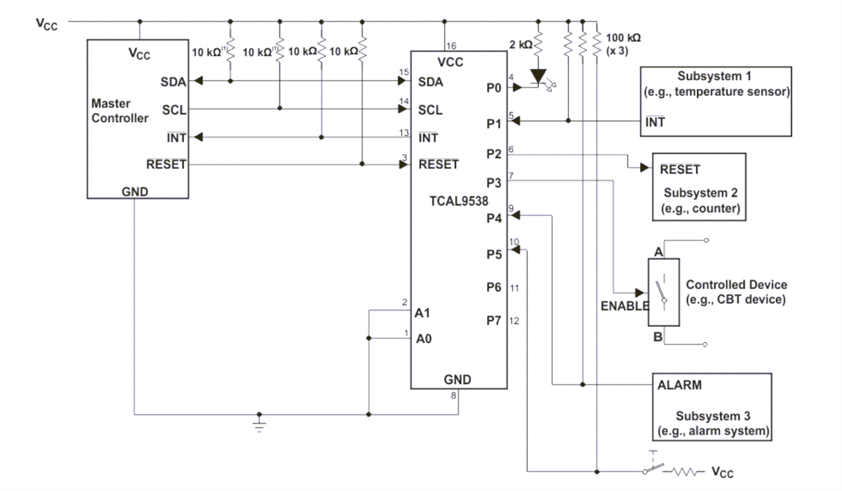
Simplified Schematic
Typical Application Schematic
Logic Diagram (Positive Logic)
Published: 2024-01-25
| Updated: 2024-10-30
