Texas Instruments AMC60804 True EML Monitor & Controller
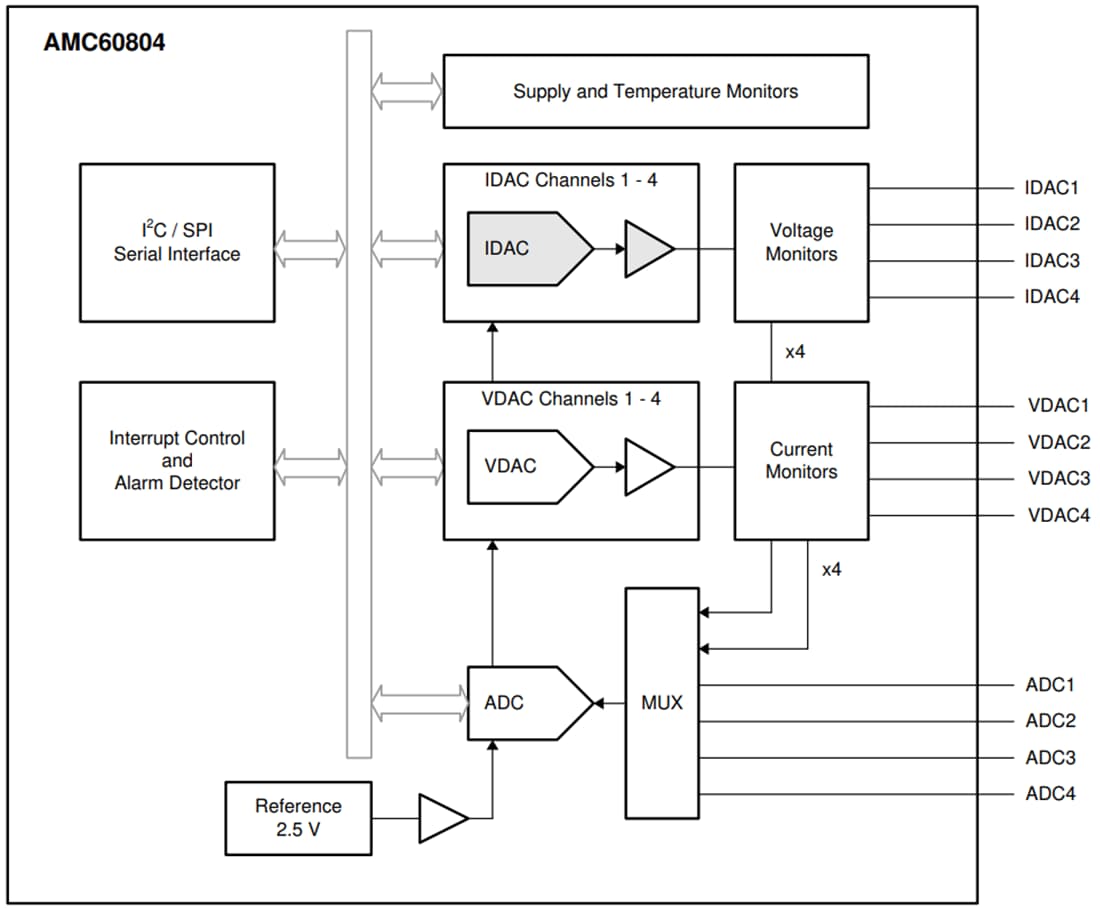
Texas Instruments AMC60804 True EML Monitor & Controller is a highly integrated, low-power analog monitor and controller optimized for electro-absorption modulated lasers (EML). The AMC60804 includes four 12-bit current output digital-to-analog converters (IDACs) and four 12-bit voltage output DACs (VDACs) with programmable output ranges. The AMC60804 also includes a 12-bit, 1MSPS analog-to-digital converter (ADC) used for external signal and internal signal monitoring, supply and temperature alarm monitors, and a high-precision internal reference.The AMC60804 VDACs support both positive and negative output range operation and are capable of sourcing and sinking up to 50mA, making them an excellent choice for biasing the electro-absorption modulator (EAM) in an EML. Additionally, the AMC60804 IDACs support a full-scale output range of 150mA with very low power dissipation, thus eliminating the need for external components to bias the EML laser diode. In combination, the AMC60804 four VDACs and four IDACs enable accurate biasing of up to four EML lasers.
The AMC60804 includes four input pins that are multiplexed to the ADC and incorporate a low-latency window comparator. This feature makes this device an excellent choice for received signal strength indicator (RSSI) and loss-of-signal (LOS) detection. The ADC is also capable of measuring the voltage at the IDAC pins, as well as the current being sourced or sinked by the VDACs, thus enabling monitoring of these outputs. The Texas Instruments AMC60804 low power, high integration, small size, and wide operating temperature range make the device an excellent choice as an all-in-one, low-cost control circuit for the EML lasers found in optical modules.
Features
- Four 12-bit current output DACs (IDACs)
- 150mA full-scale output range
- Four 12-bit voltage output DACs (VDACs)
- Selectable full-scale output ranges (–5V, –2.5V, +2.5V and +5V)
- ±50mA high-current drive capability
- Twelve channel, 12-bit, 1MSPS SAR ADC
- Four external inputs: 2.5V and 5V input ranges
- Four IDAC voltage monitor channels
- Four VDAC current monitor channels
- Programmable sequencer
- Programmable out-of-range alarms
- Internal 2.5V reference
- Supply and temperature fault alarms
- 1.7V to 3.6V operation for SPI and I2C interfaces
- SPI (4-wire interface)
- I2C (Four slave addresses)
- –40°C to +125°C specified temperature range
Applications
- Optical module
- Intra-dc interconnect (metro)
Simplified Schematic
