Diodes Incorporated AP7353 Low Noise Low Dropout Regulators
Diodes Incorporated AP7353 Low Noise Low Dropout Regulators are ideal for handheld/wearable communication equipment that require stable voltage sources. Diodes Incorporated AP7353 regulators feature high output voltage accuracy, low RDSON, high PSRR, low output noise, and low quiescent current. Based on a CMOS process, AP7353 regulators include a voltage reference, error amplifier, current limit circuit, and an enable input to turn it on and off. AP7353 is packaged in X1-WLB0707-4 (Type A1), allowing for the smallest footprint and dense PCB layout.Features
- 2.0V to 5.5V low VIN and wide VIN range
- 1.8V to 4.5V VOUT fixed
- 250mA guarantee output current
- 115mV dropout voltage
- ±1% VOUT accuracy
- 800mW power dissipation (Pd)
- Ripple rejection 90dB at 20Hz to 20kHz, IOUT = 10mA
- 10µVrms from 10Hz to 100kHz at 10mA low output noise
- 18µA (typ.) quiescent current
- X1-WLB0707-4 packaging
- -40°C to +85°C operating temperature range
Applications
- Smart phone/PAD
- RF supply
- Cameras
- Portable video
- Portable media player
- Wireless adapter
- Wireless communication
Block Diagram
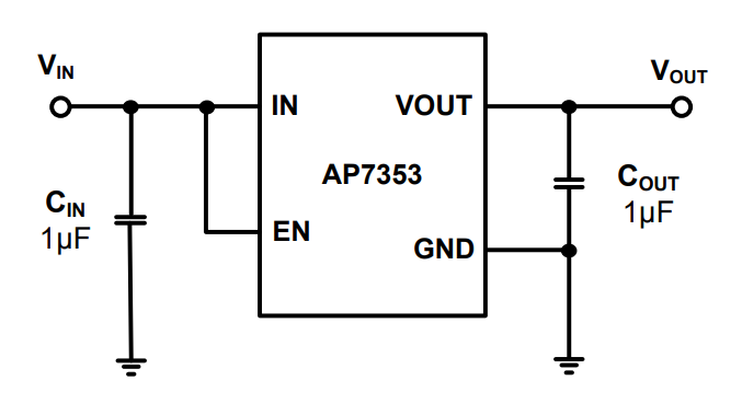
Application Circuit
Published: 2019-11-26
| Updated: 2023-08-09
